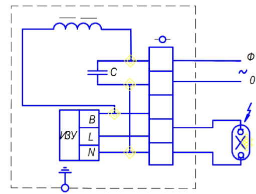
• НАЗНАЧЕНИЕ
Предназначен для обеспечения режима зажигания и ограничения тока разрядных ламп высокого давления при включении их в сеть переменного тока частотой 50Гц с номинальным напряжением 220В.
• ОБЛАСТЬ ПРИМЕНЕНИЯ
Применяются для установки в светильники.
• ПРИНЦИП ДЕЙСТВИЯ
Включение дросселя в цепи переменного тока вызывает сдвиг фаз между напряжением и током. При обозначении дросселей обычно указывается косинус угла (cos ф), на значение которого ток отстает от напряжения. Еще его называют коэффициентом мощности. Активная мощность, определяется произведением напряжения, тока и косинуса фи.
• ДОПОЛНИТЕЛЬНЫЕ ПРИНАДЛЕЖНОСТИ ИЛИ АКСЕССУАРЫ
В стандартную комплектацию входит само изделие
| С устройством зажигания | да |
| Мощность (ПРА 2), Вт | 150 |
| Производитель | Россия |
| Напряжение (общее), В | 220 |
Пока не было вопросов.

-21x21.jpg)








































































-21x21.jpg)



-21x21.png)







